北京同林臭氧擁有20年臭氧應用經驗,結合臭氧實驗,北京同林推出了實驗用臭氧發生器、內置制氧一體式臭氧發生器、進口高濃度臭氧發生器、低濃度臭氧發生器、臭氧在線檢測儀等用于臭氧實驗的臭氧設備。
北京同林提供標準臭氧方案、臭氧脫色實驗、臭氧活性炭、臭氧高級催化氧化實驗、臭氧氣體實驗、臭氧無機氧化、高濃度臭氧水、污水臭氧+催化劑深度處理實驗等解決方案!
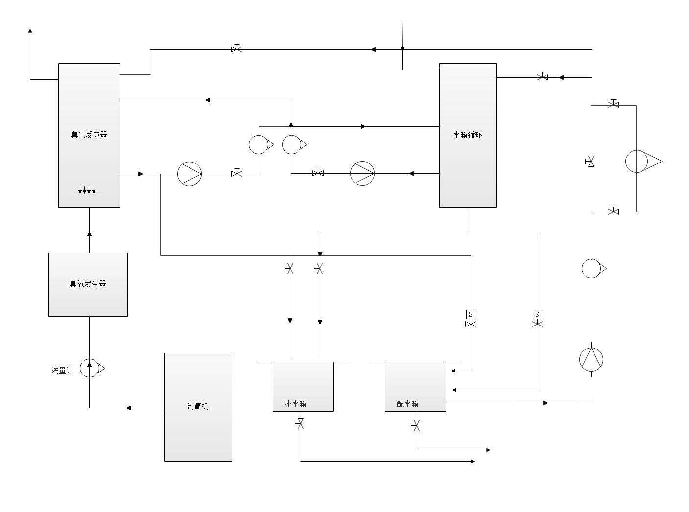
[07-23] 工業廢水高效處理中試科研平臺配置
[06-23] 中國科大張穎捷博士ES&T |
[03-07] 工業廢水高效處理臭氧中試科研平臺要求
[08-27] M10G臭氧發生器適用于實驗室和小型工業
[04-25] 3S-T10臭氧發生器被應用于眾多臭氧實
[11-14] 剖析工業廢水處理流程-馬魯銘
[03-30] 臭氧小試臭氧發生器選擇高純氧還是空氣源呢
[03-26] 如何利用碘量法標定臭氧發生器的產量和濃度
[03-19] ?臭氧輔助管式爐氧化鎳薄膜的實驗方法與優
[03-10] 臭氧輔助管式爐氧化銅薄膜實驗方法與優化策
[03-02] 臭氧氣氛提升催化劑載體表面活性:管式爐氧
[02-24] 臭氧前驅工藝原理與工藝流程介紹
[11-03] BiFeO?(BFO)薄膜制備——臭氧輔
[10-10] 耐臭氧藥物布洛芬的電過氧化處理:界面反應
[09-23] Q-ACSM 對不同氧化態腔室生成 SO
[06-03] 催化劑在等離子降解VOCs中的作用機理研
[01-17] 臭氧陶瓷膜曝氣試驗裝置材料與檢測方法
[11-06] 吳德禮教授:多羥基亞鐵耦合臭氧同步去除重